피엠테스트
Company
introduction
Greetings
Contact Us
Business field
introduction
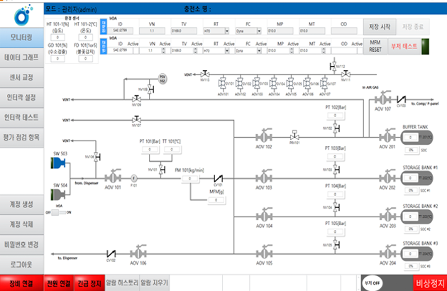
All-in-One Integrated Control Platform
Modular PRG System
Hydrogen Dispenser Package
Hy-PAS
Water Electrolysis System
Bio-Hydrogen Convergence System
JEAENG
Technology & Promotion
NEWS
ENG
ENG
KOR
Business field introduction
home
Business field introduction
Company introduction
Business field introduction
JEAENG Technology & Promotion
NEWS
Hy-PAS
All-in-One Integrated Control Platform
Modular PRG System
Hydrogen Dispenser Package
Hy-PAS
Water Electrolysis System
Bio-Hydrogen Convergence System
Hy-PAS
Mobile Evaluation System for HRS
Upgraded and Commercialized Modular Evaluation of KGS
Improved convenient & reliable, smaller, and multi-purpose for HRS
Completed development and ready for production by JEA own-tech
Main Functions
Full test of Hydrogen Refueling Facilities and System
Responding to all factors, incl. protocol as SAE J2601 & J2799
Test for compliance with inspection criteria
System & Components fault/abnormal diagnosis
Safety Test and Quality Test for equipment, piping, panel, etc.
Application
Inspection of compliance with regulations and standard for new HRS
Self-inspection and test for maintenance and management for HRS
Used as QC system in manufacturing & production